Cette rubrique concerne les différents projets électroniques que j'ai réalisé.
Le premier, sur ce site, concerne un gros travail d'étude sur les processeurs PIC 32 bits programmés en langage MMBasic. Ceci peut nous amener à réaliser des applications dites 'intelligentes' sur des cartes du commerce ou directement sur le composant microprocesseur de chez Microchip pouvant s'intégrer dans un circuit électronique 'fait maison'.
Cette étude fait aussi l'objet d'un livre qui est en cours de rédaction.
Vous avez un projet en tête, il ne vous reste qu'à me le formuler par écrit (sur mon lien de contact) ... nous pouvons ainsi en discuter pour améliorer le concept et je peux vous proposer une réalisation.
Le produit sera concu sur un ensemble de circuits créés de 'A à Z' et/ou de circuits de base issus du commerce (cf. exemples ci-dessous).
Réalisation Horloge - mesure de température
Réalisation télémètre à ultrasons
Réalisation ASCII Vidéo Terminal à partir de la schématique de Geoff's Projects
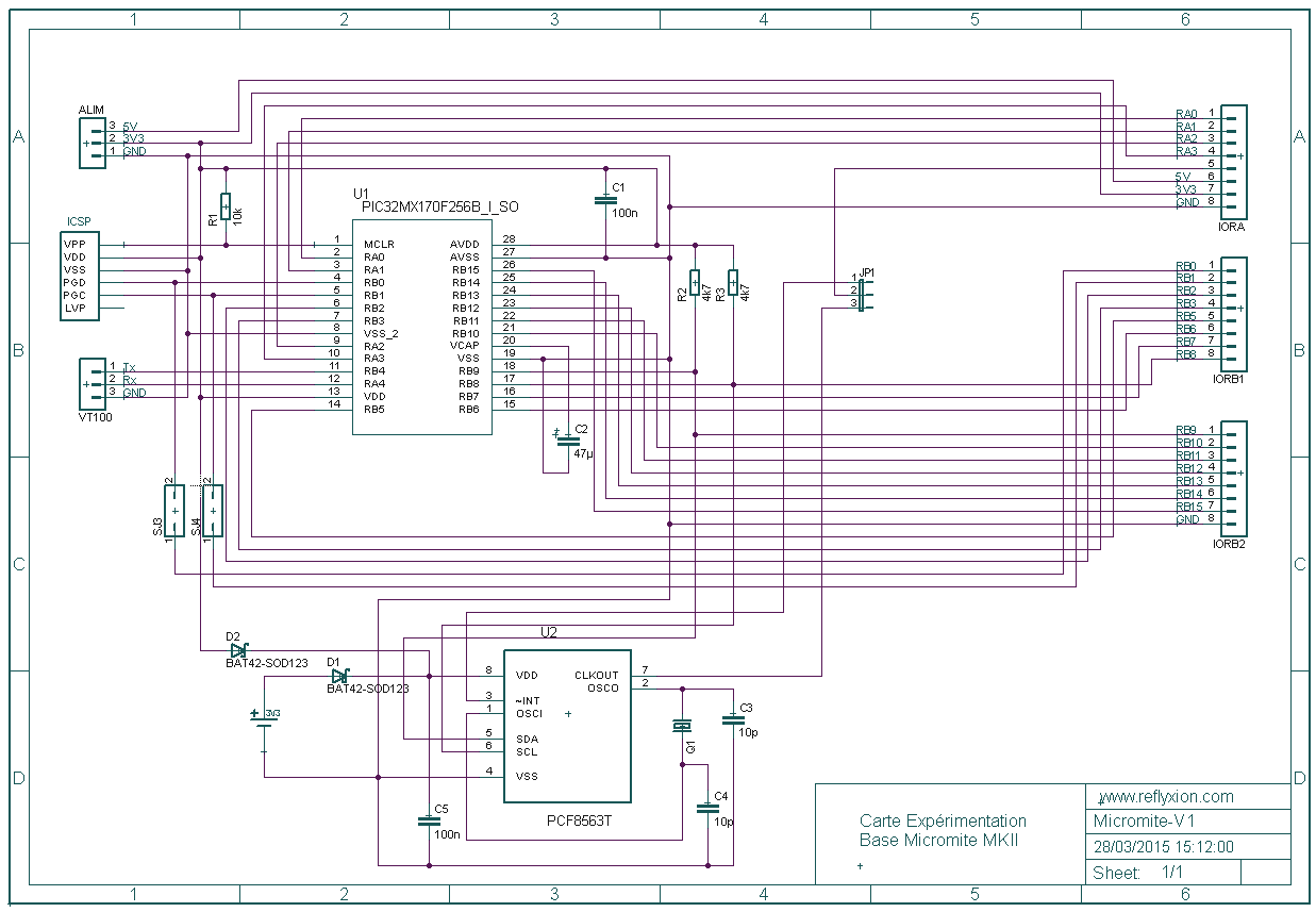
Réalisation d'une carte d'expériementation à base de Micromite MKII et d'un circuit d'horloge
Cette carte, sur la base d'un PIC32 MX170F256B de chez Microchip, configurée en mode Micromite MKII - MMBasic V4.6 et d'un cicuit d'horloge PCF8563T sauvegardée par pile, sert pour les expérimentations de périphériques, afficheur LCD, capteur de température, servomoteurs, codeur rotatifs, ...
Le principe de câblage, le firmware (éditeur et interpréteur MMBasic) et le manuel d'utilisation sont disponibles sur le site Geoff's Projects.
Sur ce schéma, vous avez le processeur PIC32MX170F256B et l’horloge (PCF8563 – utilisant un quartz de 32768hz) sauvegardée par une pile ‘bouton’ de 3v (type CR2032). 
On retrouve sur les connecteurs IORA, IORB1 et IORB2 les entrées/sorties des ports A et B du processeur, ainsi que les tensions d’alimentations 5v et 3v3 (et la masse – GND). 
Le connecteur ‘ALIM’ permet de faire venir sur la carte les tensions de 3v3 et de 5v. 
La tension 3v3 sert pour alimenter les composants de la carte et les périphériques en 3v3. La tension de 5v ne sert que pour les périphériques (si besoin). 
On retrouve le connecteur ICSP pour pouvoir, la première fois, transférer le firmware (Interpréteur et éditeur MMBasic 4.6). 
Et pour finir, le lien de debug et de transfert des programmes MMBasic sur le connecteur ‘VT100’. 
Lors de l’utilisation du connecteur ICSP pour la mise à jour du firmware, les cavaliers SJ3 et SJ4 sont à débrancher pour ne pas rentrer en conflit avec les entrées PGD et PGC du connecteur ICSP. 
Le ‘jumper’ JP1 sert à faire ressortir sur la broche 5 du connecteur IORA, les sorties CLKOUT ou INT du PCF8563.